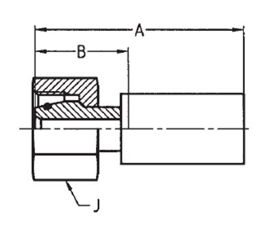
DIN - Metrisk Lige Indstik - Metrisk Svivel (Hun) indv. gev./Omløber (Konus med O-ring 24°)
Parker 1C9PX Slangefitting – Pålidelig forbindelse til højtrykssystemer
Parker 1C9PX er en højtydende slangefitting designet til professionelle hydraulik- og pneumatiske systemer. Med sin robuste konstruktion og metriske gevind er denne fitting ideel til applikationer, der ...
Fitting ends
| # | Endetype | Endeform | Gevind | Tætning |
|---|---|---|---|---|
| 1 | DIN - Metrisk | Svivel (Hun) indv. gev./Omløber | Metrisk | Konus med O-ring |
Fitting data
| Form | Lige |
|---|
| Trykserier | S |
|---|---|
| Ende Type | C9, C9 |
| Størrelser (mm) | 5 - 25 mm |
| Slangefittingtype | 1 Piece |
| Størrelser (tommer) | 3/16" inches - 1" inches |
| Produktklassifisering | Hydraulik |
| Produktkategori | Slange Fittings |
| Produktgruppe | Press Fittings - One Piece |
| Produktprogram | DIN Metrisk |
| Info | Hymatik varenr. | Leverandør varenr. | Tilgængelighed |
Note
|
Ende 1 Gevindstørrelse
|
Ende 1 Rørstørrelser
|
Ende 1 trykseries
|
Materiale
|
Slangestørrelse
|
Vægt
|
TariffNumber
|
Oprindelsesland
|
Enhedspris | Favorit | Sort Order | ||
|---|---|---|---|---|---|---|---|---|---|---|---|---|---|---|---|---|---|