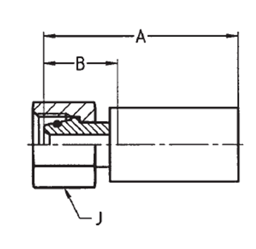
DIN - Metrisk Lige Indstik - Metrisk Svivel (Hun) indv. gev./Omløber (Konus med O-ring 24°)
Parker 1CAPX Slangefitting – Premium forbindelser til hydrauliske og pneumatiske systemer
Parker 1CAPX slangefittingen er en pålidelig og robust løsning designet til anvendelse i moderne hydraulik-, pneumatik- og fluidhåndteringssystemer. Som medlem af Series PX serien tilb...
Fitting ends
| # | Endetype | Endeform | Gevind | Tætning |
|---|---|---|---|---|
| 1 | DIN - Metrisk | Svivel (Hun) indv. gev./Omløber | Metrisk | Konus med O-ring |
Fitting data
| Form | Lige |
|---|
| Trykserier | L |
|---|---|
| Ende Type | CA, CA |
| Størrelser (mm) | 3 - 25 mm |
| Slangefittingtype | 1 Piece |
| Størrelser (tommer) | 1/8" inches - 1" inches |
| Produktklassifisering | Hydraulik |
| Produktkategori | Slange Fittings |
| Produktgruppe | Press Fittings - One Piece |
| Produktprogram | DIN Metrisk |
| Info | Hymatik varenr. | Leverandør varenr. | Tilgængelighed |
Note
|
Ende 1 Gevindstørrelse
|
Ende 1 Rørstørrelser
|
Ende 1 trykseries
|
Materiale
|
Slangestørrelse
|
Vægt
|
TariffNumber
|
Oprindelsesland
|
Enhedspris | Favorit | Sort Order | ||
|---|---|---|---|---|---|---|---|---|---|---|---|---|---|---|---|---|---|