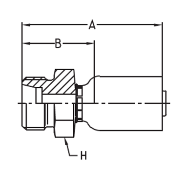
DIN - Metrisk Lige Indstik - Metrisk Han (Udkravning 24°)
Fitting ends
| # | Endetype | Endeform | Gevind | Tætning |
|---|---|---|---|---|
| 1 | DIN - Metrisk | Han | Metrisk | Udkravning |
Fitting data
| Form | Lige |
|---|
| Trykserier | S |
|---|---|
| Ende Type | D2, D2 |
| Størrelser (mm) | 5 - 19 mm |
| Slangefittingtype | 1 Piece |
| Størrelser (tommer) | 3/16" inches - 3/4" inches |
| Produktklassifisering | Hydraulik |
| Produktkategori | Slange Fittings |
| Produktgruppe | Press Fittings - One Piece |
| Produktprogram | DIN Metrisk |
| Info | Hymatik varenr. | Leverandør varenr. |
Note
|
Ende 1 Gevindstørrelse
|
Ende 1 Rørstørrelser
|
Ende 1 trykseries
|
Materiale
|
Slangestørrelse
|
Vægt
|
TariffNumber
|
Oprindelsesland
|
Enhedspris | Favorit | Sort Order | ||
|---|---|---|---|---|---|---|---|---|---|---|---|---|---|---|---|---|