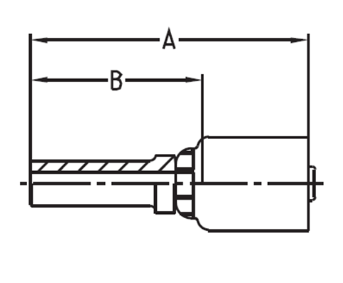
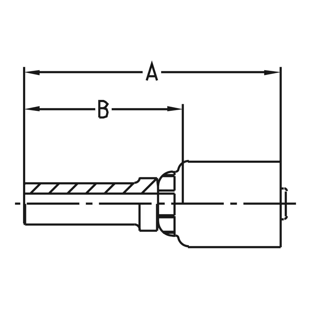
DIN - Metrisk Lige Indstik - Metrisk Glat Rør Ende (Pakningsring DOZ)
Fitting ends
| # | Endetype | Endeform | Gevind | Tætning |
|---|---|---|---|---|
| 1 | DIN - Metrisk | Glat Rør Ende | Metrisk |
Fitting data
| Form | Lige |
|---|
| Trykserier | L |
|---|---|
| Ende Type | 1D, 1D |
| Størrelser (mm) | 6 - 10 mm |
| Slangefittingtype | 1 Piece |
| Størrelser (tommer) | 1/4" inches - 3/8" inches |
| Produktklassifisering | Hydraulik |
| Produktkategori | Slange Fittings |
| Produktgruppe | Press Fittings - One Piece |
| Produktprogram | DIN Metrisk |
| Info | Hymatik varenr. | Leverandør varenr. | Tilgængelighed |
Note
|
Ende 1 Rørstørrelser
|
Ende 1 trykseries
|
Materiale
|
Slangestørrelse
|
Vægt
|
TariffNumber
|
Oprindelsesland
|
Enhedspris | Favorit | Sort Order | ||
|---|---|---|---|---|---|---|---|---|---|---|---|---|---|---|---|---|