CPI - Svejsevinkel For Tomme Rør for CPI™ /A-LOK® Til Rør Svejsesamling
Fitting ends
| # | Endetype | Endeform | Gevind | Tætning |
|---|---|---|---|---|
| 1 | A-Lok | Han | UNF | Komprimering - enkelt klemring |
| 2 | Svejsefittings | Svejset |
Fitting data
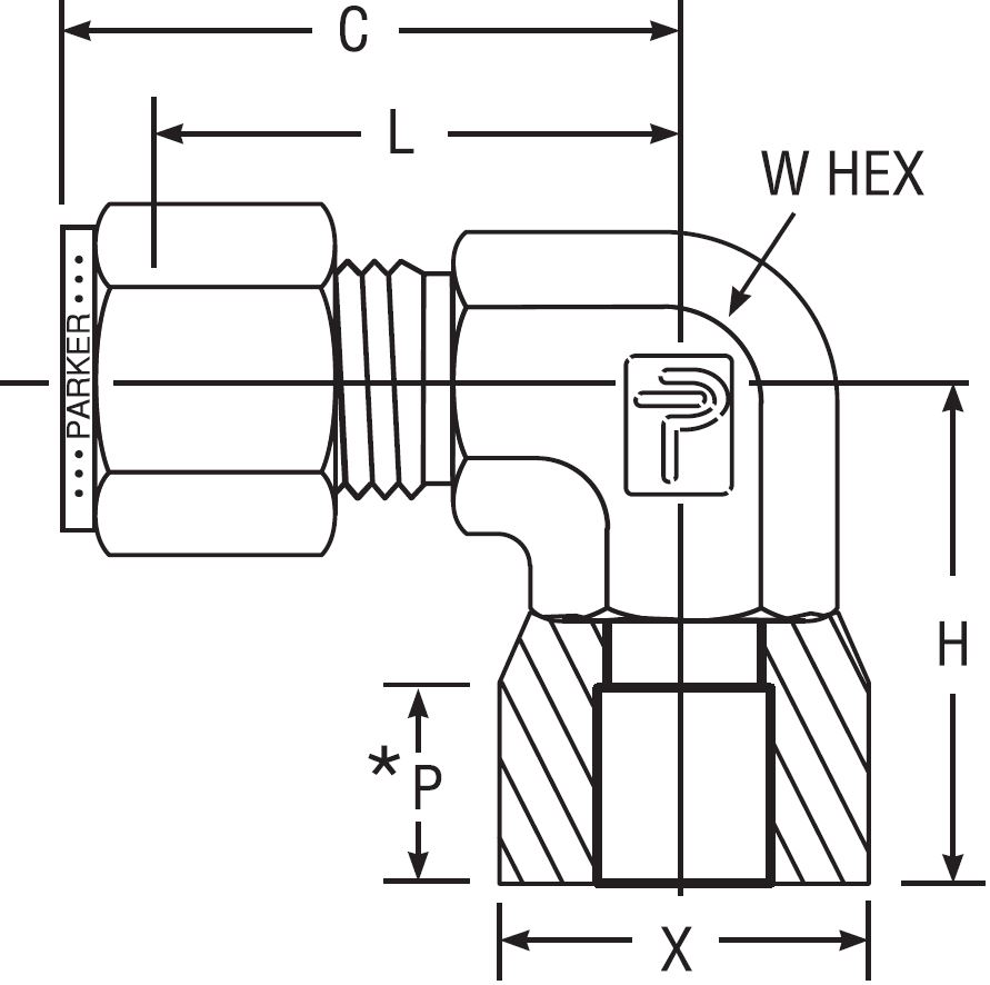
| Form | Vinkel 90° |
|---|
| Samlingskombination | Rør-til-Svejsning |
|---|---|
| Produktklassifisering | Proces |
| Produktkategori | Fittings |
| Produktgruppe | Process Fittings |
| Produktprogram | Klemring |
| Produktunderprogram | CPI - Single Ferrule |
| Ekstra info | Tube to Welded System, Tube to Welded System |
| Info | Hymatik varenr. | Leverandør varenr. |
Alok Fitting Option
|
Materiale
|
Note
|
Materiale Standard
|
Oprindelsesland
|
TariffNumber
|
Vægt
|
Inter Changes With
|
Tube OD
|
C Inches
|
L Inches
|
H Inches
|
P Inches
|
X Inches
|
W Hex Inches
|
Enhedspris | Favorit | Sort Order | ||
|---|---|---|---|---|---|---|---|---|---|---|---|---|---|---|---|---|---|---|---|---|---|---|