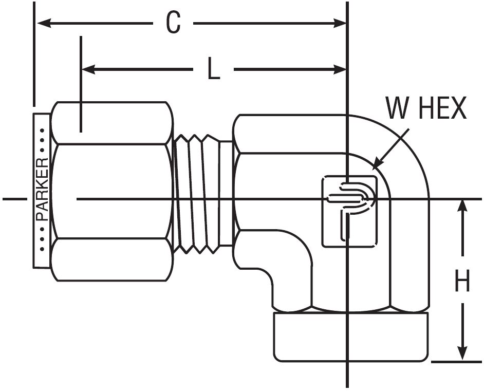
CPI - NPT Hun Vinkel For Tomme Rør
Fitting ends
| # | Endetype | Endeform | Gevind | Tætning |
|---|---|---|---|---|
| 1 | CPI (Tomme) | Han | UNF | Komprimering - enkelt klemring |
| 2 | NPT | Hun (Fast) | NPT | Gevind |
Fitting data
| Form | Vinkel 90° |
|---|
| Samlingskombination | Rør-til-Indvendigt Gevind |
|---|---|
| Produktklassifisering | Proces |
| Produktkategori | Fittings |
| Produktgruppe | Process Fittings |
| Produktprogram | Klemring |
| Produktunderprogram | CPI - Single Ferrule |
| Ekstra info | Tube to Female pipe, Tube to Female pipe |
CPI - How to Avoid Assembly Error
| Info | Hymatik varenr. | Leverandør varenr. |
Alok Fitting Option
|
Materiale
|
Inter Changes With
|
Materiale Standard
|
Oprindelsesland
|
TariffNumber
|
Vægt
|
Tube OD Inches
|
Npt Pipe Thread Inches
|
C Inches
|
H Inches
|
L Inches
|
W Hex Inches
|
Enhedspris | Favorit | Sort Order | ||
|---|---|---|---|---|---|---|---|---|---|---|---|---|---|---|---|---|---|---|---|---|