CPI - Column Ende Fitting Med Lav Intern Volume Med Frit (Filter) For Tomme Rør
Fitting ends
| # | Endetype | Endeform | Gevind | Tætning |
|---|---|---|---|---|
| 1 | A-Lok | Han | UNF | Komprimering - enkelt klemring |
| 2 | A-Lok | Han | UNF | Komprimering - enkelt klemring |
Fitting data
| Form | Lige |
|---|
| Samlingskombination | Rør-til-Rør |
|---|---|
| Produktklassifisering | Proces |
| Produktkategori | Fittings |
| Produktgruppe | Process Fittings |
| Produktprogram | Klemring |
| Produktunderprogram | CPI - Single Ferrule |
| Ekstra info | Analytical Fittings, Analytical Fittings |
| Info | Hymatik varenr. | Leverandør varenr. | Tilgængelighed |
Alok Fitting Option
|
Materiale
|
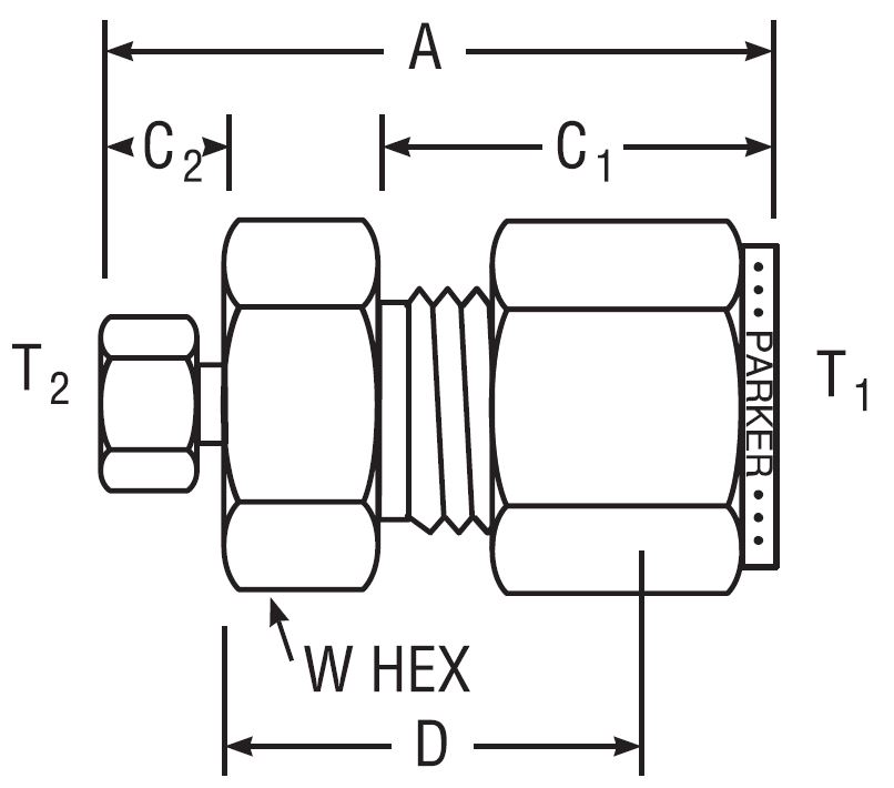
T1 Tube OD
|
Materiale Standard
|
T2 Tube OD
|
A Inches
|
C Inches
|
D Inches
|
W Hex Inches
|
Internal Opening
|
Internal Volume
|
Enhedspris | Favorit | Sort Order | ||
|---|---|---|---|---|---|---|---|---|---|---|---|---|---|---|---|---|---|---|---|