CPI - BSPP Han Samler For Metrisk Rør

Samlingskombination Rør-til-Udvendigt Gevind
Produktklassifisering Proces
Produktkategori Fittings
Produktgruppe Process Fittings
Produktprogram Klemring
Produktunderprogram CPI - Single Ferrule
Parker Tube Fitting NPT Male Connector CPI Series
1 / 7
1
2
3
4
5
6
7
Info Hymatik varenr. Leverandør varenr.
Alok Fitting Option
Materiale
Inter Changes With
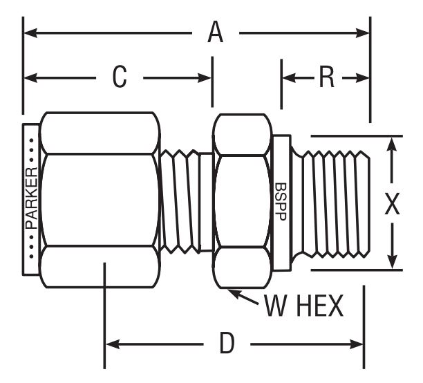
Tube OD (mm)
A (mm)
C (mm)
D (mm)
R (mm)
W Hex (mm)
Bspp Thread Inches
X (mm)
Materiale Standard
Oprindelsesland
TariffNumber
Vægt
Enhedspris          Favorit    Sort Order