BSP Lige Indstik - BSPP Svivel (Hun) indv. gev./Omløber (Konus 60°)
Parker Serie 56 – BSP Lige Indstik til BSPP Omløber med 60° Konus
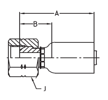
Model 19256-x-x er en højkvalitets slangefitting fra Parker's prisbelønnede Serie 56-program. Denne adapter kombinerer en BSP-gevind (British Standard Pipe) med en BSPP omløber (Female Swivel) og er designet ...
Fitting ends
| # | Endetype | Endeform | Gevind | Tætning |
|---|---|---|---|---|
| 1 | BSP | Svivel (Hun) indv. gev./Omløber | BSPP | Konus |
Fitting data
| Form | Lige |
|---|
| Ende Type | 92, 92 |
|---|---|
| Størrelser (mm) | 5 - 25 mm |
| Slangefittingtype | 1 Piece |
| Størrelser (tommer) | 3/16" inches - 1" inches |
| Produktklassifisering | Hydraulik |
| Produktkategori | Slange Fittings |
| Produktgruppe | Press Fittings - One Piece |
| Produktprogram | BSP - BSPP / BSPT |
| Info | Hymatik varenr. | Leverandør varenr. |
Note
|
Materiale
|
Ende 1 Gevindstørrelse
|
Ende 1 Gevindtype
|
Vægt
|
TariffNumber
|
Oprindelsesland
|
Slangestørrelse
|
Enhedspris | Favorit | Sort Order | ||
|---|---|---|---|---|---|---|---|---|---|---|---|---|---|---|---|