Blokeringsfitting Fitting, Udvendig/Indvendig Gevind BSPT Gevind
| Samlingskombination | Gevind-til-Gevind |
|---|---|
| Produktklassifisering | Pneumatik |
| Produktkategori | Fittings, Ventiler |
| Produktgruppe | Pneumatik & Medier |
| Produktprogram | Afspærringsfittings |
| Produktunderprogram | Functional Fittings |
Parker Legris--Product Demo : Blocking Fitting
| Info | Hymatik varenr. | Leverandør varenr. |
Oprindelsesland
|
TariffNumber
|
Vægt
|
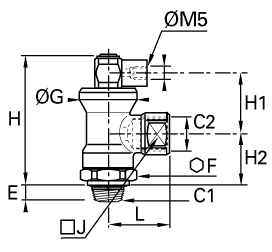
C1
|
C2
|
F
|
G
|
H
|
H1
|
H2
|
J
|
L
|
Enhedspris | Favorit | Sort Order | ||
|---|---|---|---|---|---|---|---|---|---|---|---|---|---|---|---|---|---|---|---|