Blød Pakningsring For Banjo Fittings SWVE, WH & TH - for Lille & Bred pakflade på Port
| Materialer | Stål |
|---|---|
| Samlingskombination | Fittings Components |
| Produktklassifisering | Hydraulik |
| Produktkategori | Fittings |
| Produktgruppe | Hydraulik Fittings |
| Produktprogram | DIN Metrisk |
| Produktunderprogram | Komponent |
EO-2 Animation
| Info | Hymatik varenr. | Leverandør varenr. | Tilgængelighed |
Navn
|
Skæreringstype
|
Materiale
|
Samlingskombination
|
Oprindelsesland
|
TariffNumber
|
Vægt
|
MG
|
RG
|
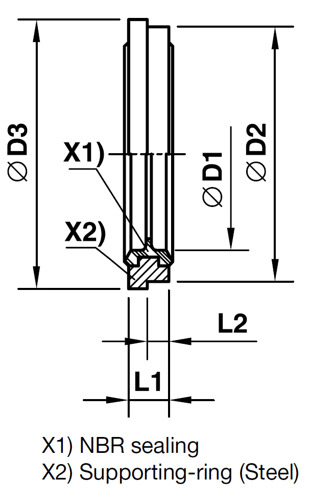
D1
|
D2
|
D3
|
L1
|
L2
|
G
|
Enhedspris | Favorit | Sort Order | ||
|---|---|---|---|---|---|---|---|---|---|---|---|---|---|---|---|---|---|---|---|---|---|---|---|