ALOK - Sanitetsflange Fitting For Tomme Rør
Fitting ends
| # | Endetype | Endeform | Gevind | Tætning |
|---|---|---|---|---|
| 1 | A-Lok | Han | UNF | Komprimering - dobbelt Klemring |
| 2 | Flange | Flange |
Fitting data
| Form | Lige |
|---|
| Samlingskombination | Rør-til-Flange |
|---|---|
| Produktklassifisering | Proces |
| Produktkategori | Fittings |
| Produktgruppe | Process Fittings |
| Produktprogram | Klemring |
| Produktunderprogram | A-Lok - Double Ferrule |
| Ekstra info | Analytical Fittings, Analytical Fittings |
| Info | Hymatik varenr. | Leverandør varenr. |
Alok Fitting Option
|
Materiale
|
Materiale Standard
|
Inter Changes With
|
Vægt
|
Tube OD
|
Sanitary Flange
|
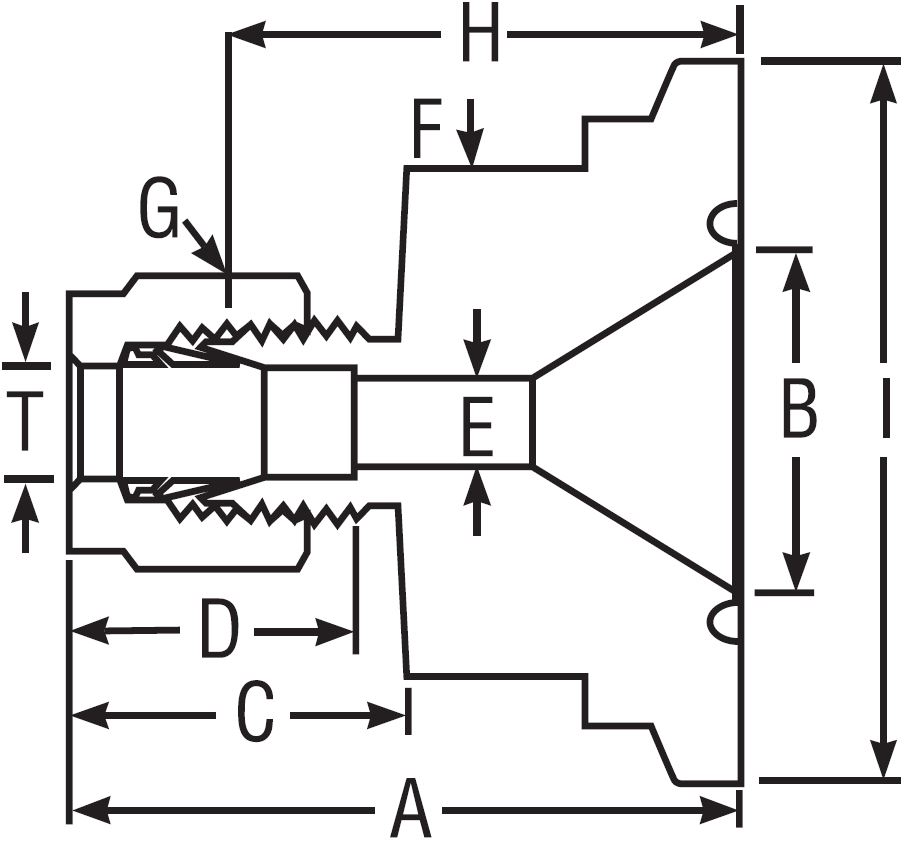
A Inches
|
B Inches
|
C Inches
|
D Inches
|
E Min Opening Inches
|
F Inches
|
G Hex Flat Inches
|
H Inches
|
I Inches
|
Enhedspris | Favorit | Sort Order | ||
|---|---|---|---|---|---|---|---|---|---|---|---|---|---|---|---|---|---|---|---|---|---|---|---|