ALOK - NPT Hun Vinkel For Metriske Rør
Fitting ends
| # | Endetype | Endeform | Gevind | Tætning |
|---|---|---|---|---|
| 1 | A-Lok (Metrik) | Han | UNF | Komprimering - dobbelt Klemring |
| 2 | NPT | Han | NPT | Gevind |
Fitting data
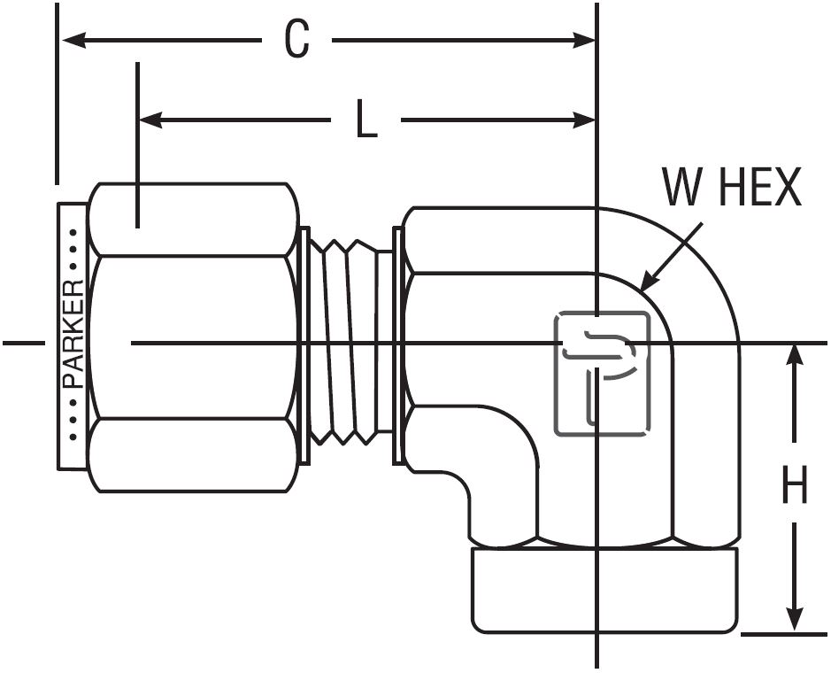
| Form | Vinkel 90° |
|---|
| Samlingskombination | Rør-til-Indvendigt Gevind |
|---|---|
| Produktklassifisering | Proces |
| Produktkategori | Fittings |
| Produktgruppe | Process Fittings |
| Produktprogram | Klemring |
| Produktunderprogram | A-Lok - Double Ferrule |
| Ekstra info | Tube to Female pipe, Tube to Female pipe |
Electrolyser Video - FCGE H2 Products
| Info | Hymatik varenr. | Leverandør varenr. |
Alok Fitting Option
|
Materiale
|
Materiale Standard
|
Inter Changes With
|
Oprindelsesland
|
TariffNumber
|
Vægt
|
Tube OD (mm)
|
Npt Pipe Thread Inches
|
C (mm)
|
H (mm)
|
L (mm)
|
W Hex Inches
|
Enhedspris | Favorit | Sort Order | ||
|---|---|---|---|---|---|---|---|---|---|---|---|---|---|---|---|---|---|---|---|---|