ALOK - BSPP Hun Adapter For Metriske Rør
Fitting ends
| # | Endetype | Endeform | Gevind | Tætning |
|---|---|---|---|---|
| 1 | A-Lok (Metrik) | Glat Rør Ende | Komprimering - dobbelt Klemring | |
| 2 | BSP | Hun (Fast) | BSPP | Gevind |
Fitting data
| Form | Lige |
|---|
| Samlingskombination | Rør Ende-til-Gevind |
|---|---|
| Produktklassifisering | Proces |
| Produktkategori | Fittings |
| Produktgruppe | Process Fittings |
| Produktprogram | Klemring |
| Produktunderprogram | A-Lok - Double Ferrule |
| Ekstra info | Port Connector, Port Connector |
Electrolyser Video - FCGE H2 Products
| Info | Hymatik varenr. | Leverandør varenr. |
Alok Fitting Option
|
Materiale
|
Materiale Standard
|
Inter Changes With
|
Oprindelsesland
|
TariffNumber
|
Vægt
|
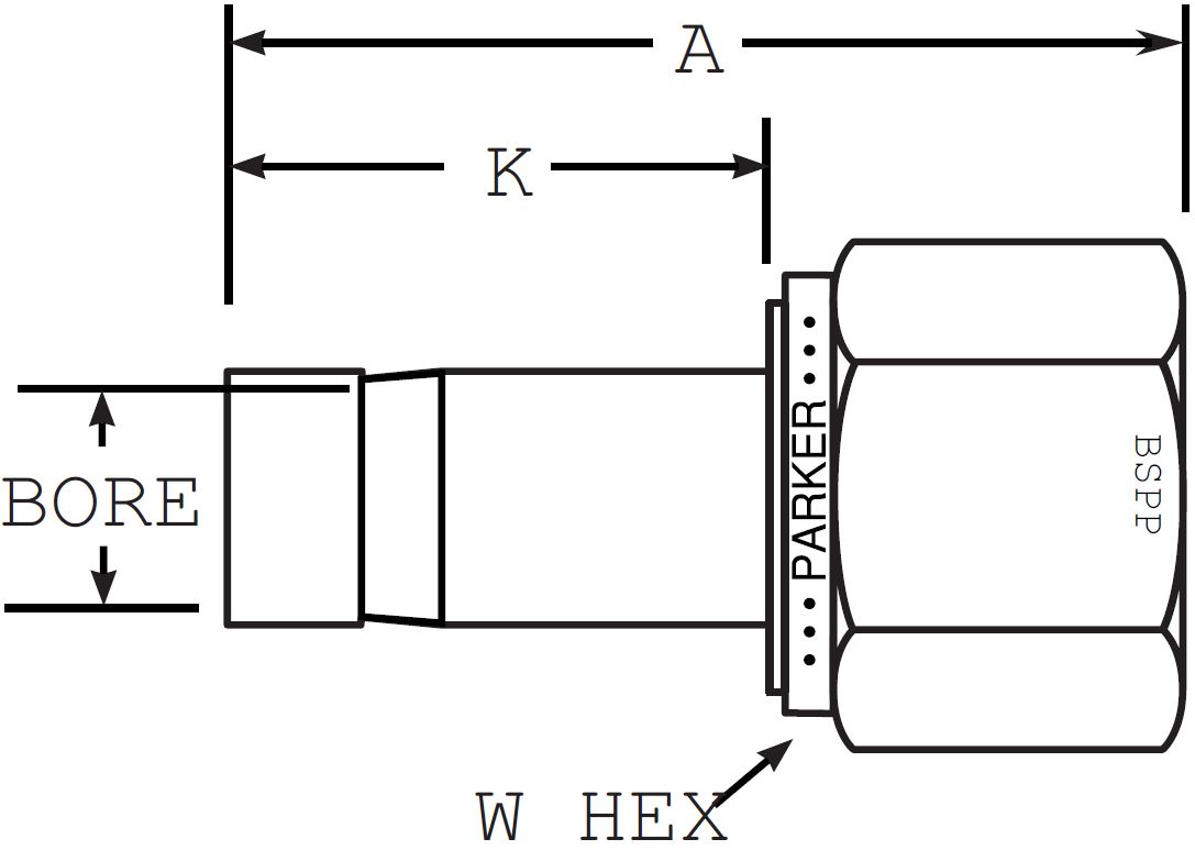
Tube OD (mm)
|
Bspp Thread Inches
|
A (mm)
|
K (mm)
|
W Hex (mm)
|
Bore (mm)
|
Enhedspris | Favorit | Sort Order | ||
|---|---|---|---|---|---|---|---|---|---|---|---|---|---|---|---|---|---|---|---|---|