ALOK - BSPP Han Samler For Tomme Rør
| Samlingskombination | Rør-til-Udvendigt Gevind |
|---|---|
| Produktklassifisering | Proces |
| Produktkategori | Fittings |
| Produktgruppe | Process Fittings |
| Produktprogram | Klemring |
| Produktunderprogram | A-Lok - Double Ferrule |
Assembly of Parker Snap Trap Tube clamps
| Info | Hymatik varenr. | Leverandør varenr. |
Alok Fitting Option
|
Materiale
|
Materiale Standard
|
Inter Changes With
|
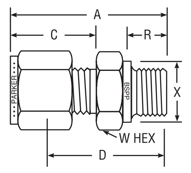
Tube OD Inches
|
A Inches
|
C Inches
|
D Inches
|
R Inches
|
W Hex Inches
|
Bore Inches
|
Bspp Thread Inches
|
X Inches
|
Oprindelsesland
|
TariffNumber
|
Vægt
|
Enhedspris | Favorit | Sort Order | ||
|---|---|---|---|---|---|---|---|---|---|---|---|---|---|---|---|---|---|---|---|---|---|---|---|