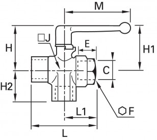
3/3 Højre Vinklet Ported Kugleventil , Indvendig BSPP Gevind
| Produktklassifisering | Pneumatik |
|---|---|
| Produktkategori | Ventiler |
| Produktgruppe | Pneumatik & Medier |
| Produktprogram | Kugleventiler |
| Produktunderprogram | Kugleventiler 3-Vejs |
Parker LPCE--Product Toturial : Electronics, Connection Solutions for Thermal Management
| Info | Hymatik varenr. | Leverandør varenr. |
Oprindelsesland
|
TariffNumber
|
Vægt
|
Id
|
Kg
|
Product Type
|
C
|
F
|
H
|
H1
|
L
|
DN
|
E
|
M
|
L1
|
J
|
H2
|
Max Working Pressure
|
Enhedspris | Favorit | Sort Order | ||
|---|---|---|---|---|---|---|---|---|---|---|---|---|---|---|---|---|---|---|---|---|---|---|---|---|---|